导向套
支撑套
搜索

导向套

导套是深孔钻专机的重要部件之一,主要作用是导向钻套紧贴住工件端面,起到定位和导向作用,提高工件加工精度。

每种深孔钻机床配置的导套形式不一,加工不同孔径需要配置相应规格的导套配合使用,我司可生产各种形式和各种直径范围的导套,供客户选择,也可提供图纸进行特殊定制。

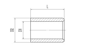
规格:φ1mm-φ25mm
适用机型:
倒立式深孔钻、轴类深孔钻

参数

简图 深孔钻直径(D1) 外径(D2) 长度(mm)
Standard Guide bush φ1-φ2 φ4 14
φ2-φ3 φ6 14
φ3-φ5 φ8 16
φ5-φ6 φ10 16
φ6-φ8 φ12 18
φ8-φ10 φ16 18
φ10-φ14 φ20 22
φ14-φ18 φ22 22
φ18-φ20 φ28 22
φ20-φ25 φ32 24

作用:导向钻套紧贴住工件端面,起到定位和导向作用,提高工件加工精度。

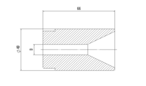
规格:φ3mm-φ25mm

适用机型:小型三坐标深孔钻

参数

简图 深孔钻直径(D1) 外径(D2) 长度(mm)
Standard Guide bush φ3-φ25 φ40 66

作用:导向钻套紧贴住工件端面,起到定位和导向作用,提高工件加工精度。

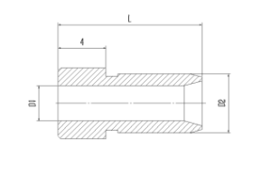
规格:φ1mm-φ12mm

适用机型:倒立式深孔钻、卧式环模深孔钻

参数

简图 深孔钻直径(D1) 外径(D2) 长度(mm)
Standard Guide bush φ1-φ3 φ5 12
φ3-φ5 φ7 13
φ5-φ9 φ12 18
φ9-φ12 φ18 18

作用:导向钻套紧贴住工件端面,起到定位和导向作用,提高工件加工精度。

规格:φ2mm-φ10mm

适用规格:双主轴双通道深孔钻

参数

简图 深孔钻直径(D1) 外径(D2) 长度(mm)
Standard Guide bush φ2-φ10 φ20 20

导向钻套紧贴住工件端面,起到定位和导向作用,提高工件加工精度。

规格:φ3mm-φ35mm

适用机型:三坐标深孔钻机床

参数

简图 深孔钻直径(D1) 外径(D2) 长度(mm)
Guide bush φ3-φ35 φ48 72
联系我们
* 我们尊重您的隐私。当您提交联系信息时,我们同意仅根据我们的隐私政策与您联系.